https://www.actuatech.com.es/images/testate/pRY0nc_slide1.jpg

RP - doble efecto DA

  • características
  • dimensiones
  • materiales
  • diagramas y pares de aceleración
  • especificaciones
  • documentos

DATOS TÉCNICOS
• Par de 10 Nm a 474 Nm.
• Brida de conexión: EN ISO 5211: F03 - F04 - F05 - F07 - F10 - F12.
• Cumple con la norma EN 15714-3.
• Cumple con la directiva ATEX 2014/34/UE.
• Ángulo de rotación: 100° (-5°, +95°).
• Doble regulación -5° y +5° en cada final de carrera (0° e 90°).
• Momento de torsión: Directamente proporcional a la presión de alimentación (ver tabla).
• En cada actuador, la cifra que sigue a la sigla RP se corresponde con el valor del par en Nm a la presión de 5,6 bar.

CONDICIONES DE EJERCICIO
• Temperatura estándar: de -20°C a +80°C.
            Versiones especiales:
- alta temperatura: -20°C +150°C.
- baja temperatura: -50°C +60°C.
• Presión nominal: 5,5 bar; máxima de ejercicio 8 bar.
• Fluido de alimentación: aire comprimido filtrado no necesariamente lubricado; conforme a UNI EN 15714-3:2009.
• En caso de lubricación, usar aceite compatible con las juntas internas.

VERSIONES ESPECIALES BAJO PEDIDO, CLAVE DE CODIFICACIÓN


CARACTERÍSTICAS
Actuador oscilante
RP
Tamaño
0010, 0020, 0040, 0060, 0080, 00120, 00160, 0240, 0300, 0480
Cliente
VA
ACTUATECH
Ángulo de rotación [°]
A90°
B*180°
C*120°
D*135°
Dirección de cierre
RCierre en sentido de las agujas del reloj
LCierre en sentido contrario a las agujas del reloj
Funcionamiento
SSimple efecto N.C.
OSimple efecto N.O.
DDoble Efecto
Muelles utilizados
00Sin muelles
20Muelles para 2,0 bar
25Muelles para 2,5 bar
30Muelles para 3,0 bar
35Muelles para 3,5 bar
40Muelles para 4,0 bar
45Muelles para 4,5 bar
50Muelles para 5,0 bar
55Muelles para 5,5 bar
60Muelles para 6,0 bar
Tipo de Brida, en caso de doble brida, la menor
03F03
04F04
05F05
07F07
10F10
12F12
Forma del alojamiento del eje inferior
QEje de estrella
D*Eje doble plano
Dimensión del alojamiento del eje inferior
09Cuadro de 9 mm
11Cuadro de 11 mm
14Cuadro de 14 mm
17Cuadro de 17 mm
22Cuadro de 22 mm
27Cuadro de 27 mm
Conexión de aire
GPlaca Namur, roscas GAS
NPlaca Namur, roscas NPT
0Roscado Gas en el cilindro sin placa (no interfaz Namur)
IInterfaz Namur, roscas Gas integrados
Versión
-Estándar
6*Baja temperatura
4*Alta temperatura

*Solo bajo pedido.
N.B. Para versiones especiales, contacte con ACTUATECH.



EJEMPLO DE CODIFICACIÓN PARA RP

Clave de codificación: RP0040VAARD0005Q11G
Descripción del producto: RP 40 DOBLE EFECTO ISO F05 07 EJE ESTRELLA 11mm CON PLACA NAMUR GAS.

Clave de codificación: RP0300VAARD0007Q22I
Descripción del producto: RP 300 DOBLE EFECTO ISO F07 10 EJE ESTRELLA 22mm CON PLACA NAMUR GAS INTEGRADA EN EL CILINDRO.

Clave de codificaciónRP0040VAARS6005Q11G
Descripción del producto: RP 40 SIMPLE EFECTO 6 BAR F05 07 EJE ESTRELLA 11mm CON PLACA NAMUR GAS.

Clave de codificación: RP0300VAARS6007Q22I
Descripción del producto: RP 300 SIMPLE EFECTO 6 BAR F07 10 EJE ESTRELLA 22mm CON PLACA NAMUR GAS INTEGRADA EN EL CILINDRO.

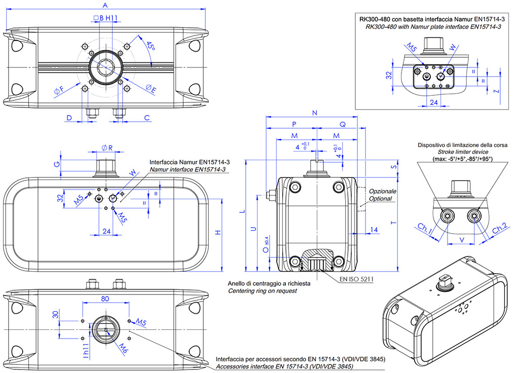
RP10 ÷ RP240

DIMENSIONES [mm]
Medida
RP10RP10RP20RP20RP20RP20RP40RP40RP40RP40RP60RP80RP120RP160RP240
ISOF03F04F03/F05F03/F05F04F04F04F04F05/F07F05/F07F05/F07
F05/F07
F05/F07
F07/F10F07/F10
A121,7
121,7
153,7
153,7
153,7
153,7
180,4
180,4
180,4
180,4
215,4
235,5
265,9
285,9
318,4
B9
9
911911
11
14
11
141417172222
C x fondoM5x8
M5x8
M5x8
M5x8
M5x8
M5x8
M5x8
M5x8
M6x9
M6x9
M6x9
M6x9
M6x9
M8x12
M8x12
D x fondo--M6x9
M6x9
----M8x12
M8x12
M8x12
M8x12
M8x12M10x15
M10x15
E36
4236
36
4242424250
50
50
50
50
7070
F--5050----70
70
70
70
70
102102
G101010101010
1313
13
13
13
13
13
13
19,5
H333350,950,950,9
50,9
60,8
60,8
60,8
60,8
68,7
75,6
87,6
97,5
112
I999999
12
12
12
12
12
15151922
J505080808080
80
80
80
80
80
80
80
80
80
K252530303030
30
30
30
30
30
30
30
30
30
L8080100100100100
112
112
112
112
122
130143154180
M24,524,530303030
36,5
36,5
36,5
36,5
41,5
46
51
56,5
64
N71*
71*
82,5*
82,5*
82,5*82,5*
95,5*
95,5*
95,5*
95,5*
107,8*
116,5*
127*
141*
159*
O10,7
10,7
13,213,2
13,2
13,2
16,5
16,5
16,5
16,5
16,5
19,3
19,3
24,3
24,3
P32,5*
32,5*
38,5*38,5*
38,5*
38,5*
45*
45*
45*
45*
52,3*
56,5*
62*
70,5*
81*
Q38,5
38,5
4444
44
44
50,5
50,5
50,5
50,5
55,5606570,578
R10,9
10,9
12,712,7
12,7
12,7
16,2
16,2
16,2
16,2
1820,222,525,531,8
S15
152020
20
20
20
20
20
20
20
20
20
20
30
T65658080
80
80
92
92
92
92102110123134150
U494959,7559,75
59,75
59,75
70,5
70,5
70,5
70,5
70,5
8697,75106,25120,5
V16161919
19
19
21
21
21
212426323641
W estándar (GAS)
1/8"
1/8"
1/8"
1/8"
1/8"
1/8"
1/8"
1/8"
1/8"
1/8"
1/8"
1/8"
1/4"
1/4"
1/4"
W especial (NPT)
1/8"-27
1/8"-27
1/8"-27
1/8"-27
1/8"-27
1/8"-27
1/8"-27
1/8"-27
1/8"-27
1/8"-27
1/8"-27
1/8"-27
1/4"-18
1/4"-18
1/4"-18
Ch.11010101010
1010
1010
10
1313131618
Ch.23333333
33344456
Peso (kg)0,90,91,41,41,41,42,1
2,12,12,1
2,93,75,16,59
Aire (dm3/ciclo)0,120,120,250,250,250,250,48
0,480,48
0,48
0,75
1,04
1,481,99
2,91
Z49,849,8
59,959,959,959,969,8
69,869,8
69,8
77,7
84,6
96,6
106,6
121
W1/8"
1/8"
1/8"
1/8"
1/8"
1/8"
1/8"
1/8"
1/8"
1/8"
1/8"
1/8"
1/4"
1/4"
1/4"

H = CENTRO DE LAS FIJACIONES DE LA PLACA.
* Variable según la regulación.

RP300 ÷ RP480

DIMENSIONES [mm]
MedidaRP300RP480
ISOF07/F10
F10/F12
A352,4
393,4
B22
27
C x fondoM8x12
M10x15
D x fondoM10x15
M12x18
E70
102
F102
125
G19,5
19,5
H125
145
I2227
L192214
M69,580
N156,5*180*
O24,329,5
P87*100*
Q83,594
R31,838
S3030
T162184
U131149,5
V4652
W estándar (GAS)
1/4"1/4"
W especial (NPT)
1/4"-18
1/4"-18
Ch.11821
Ch.266
Peso (kg)11,416,3
Aire (dm3/ciclo)3,775,8
Z124,5144,5
W1/4"
1/4"


H = CENTRO DE LAS FIJACIONES PLACA.
* Variable según la regulación.

RP10 ÷ RP480

MATERIALES
Pos.
Descripción
Cant.
Material
1Cilindro
1Aleación de aluminio
2Eje
1Aleación de acero
3*Abrazadera (soporte superior eje)
1Resina acetálica
4*Abrazadera (soporte superior eje)
1Resina acetálica
5*Junta tórica (junta inferior del eje)
1Goma de nitrilo
6Leva
1Aleación de acero
7*Anillo de soporte externo
1Resina acetálica
8*Anillo de soporte externo
1Resina acetálica
9Arandela calce
1Acero inoxidable
10*Anillo de retención
1Acero inoxidable
11*Junta tórica**
2Goma de nitrilo
12*Junta tórica del eje superior
1Goma de nitrilo
13Placa NAMUR**
1Aleación de aluminio
14Tornillos**
2Acero inoxidable
15*Junta tórica
2Goma de nitrilo
16*Arandela (ajuste recorrido)
2Acero inoxidable
17*Tuerca (ajuste recorrido)
2Acero inoxidable
18*Grano de regulación
2Acero inoxidable
19Pistón
2Aleación de aluminio
20*Patín soporte pistón
4Resina acetálica
21*Anillo de sellado
2Poliuretano
22*Junta tórica
2Goma de nitrilo
23*Junta tórica del tapón
2Goma de nitrilo
24Tapón
2Aleación de aluminio
25Tornillos
8Acero inoxidable

* Detalles del kit de repuesto.
** Ausente en algunos modelos, véanse los códigos de la tabla.

DIAGRAMA MOMENTO DE TORSIÓN «DA» (Nm)

TABLA MOMENTO DE TORSIÓN RP «DA» (Nm)
MedidaAire bar
2 bar2,5 bar3 bar3,5 bar4 bar4,5 bar5 bar5,5 bar5,6 bar6 bar7 bar8 bar
RP103,74,75,66,67,58,49,410,310,511,213,115,0
RP207,39,111,012,814,616,418,320,120,521,925,629,2
RP4013,917,420,924,427,931,334,838,339,041,848,755,7
RP60
21,226,531,937,242,547,853,158,459,563,774,384,9
RP80
30,037,544,952,459,967,474,982,483,989,9104,9119,9
RP120
42,753,464,074,785,496,1106,7117,4119,5128,1149,4170,8
RP160
58,573,287,8102,5117,1131,7146,4161,0163,9175,6204,9234,2
RP240
85,2106,5127,8149,1170,4191,7213,0234,3238,6255,6298,2340,8
RP300
109,8137,2164,7192,1219,6247,0274,5301,9307,4329,3384,2439,1
RP480
172,4215,5258,5301,6344,7387,8430,9474,0482,6517,1603,3689,5

Póngase en contacto con ACTUATECH si se diesen momentos de torsión a diferentes presiones.

ESQUEMA DE FUNCIONAMIENTO ACTUADOR DOBLE EFECTO

ESQUEMA DE FUNCIONAMIENTO
Introduciendo aire en el orificio 4 de alimentación, los pistones se mueven hacia el centro y se produce una rotación del eje en el sentido de las agujas del reloj, la posición final es la representada en el dibujo.

ESQUEMA DE FUNCIONAMIENTO
Introduciendo aire en el orificio 2 de alimentación, los pistones se mueven hacia el exterior y se produce una rotación del eje en sentido contrario de las agujas del reloj, la posición final es la representada en el dibujo.

INSTRUCCIONES PARA REGULAR EL RECORRIDO DEL ACTUADOR DE DOBLE EFECTO

REGULACIÓN DE LA APERTURA

REGULACIÓN DEL CIERRE

A) Asegúrese de que no haya aire a presión en el actuador (en ninguna de las dos cámaras).
B) Afloje la contratuerca A1.
C) Introduzca aire en el orificio «2» a baja presión (suficiente para el movimiento) de modo que los pistones se pongan en la posición de final de carrera.
D) Con una llave Allen, atornille o desatornille el grano A de modo que se obtenga la regulación deseada (intervalo máximo de regulación ± 5°).
E) Una vez obtenida la regulación deseada, con una llave Allen, bloquee el grano A y con una llave inglesa, apriete la contratuerca A1.

N.B. Repita la operación hasta obtener la regulación deseada.

A) Asegúrese de que no haya aire a presión en el actuador (en ninguna de las dos cámaras).
B) Afloje la contratuerca B1.
C) Introduzca aire en el orificio «4» a baja presión (suficiente para el movimiento) de modo que los pistones se pongan en la posición de final de carrera.
D) Con una llave Allen, atornille o desatornille el grano B de modo que se obtenga la regulación deseada (intervalo máximo de regulación ± 5°).
E) Una vez obtenida la regulación deseada, con una llave Allen, bloquee el grano B y con una llave inglesa, apriete la contratuerca B1.

N.B. Repita la operación hasta obtener la regulación deseada.

X CERRAR

SIGUIENTE EVENTO

Desalination Technology Expo 2025
Desalination Technology Expo 2025
Valencia, Spain, 4 - 5 - 6 November 2025